КМВГ-А-4Т
Доступен для скачивания
краткий каталог продукции:
Распределительная коробка КМВГ-А-4Т предназначена для устройства мест соединения и разветвления различных типов проводов в силовых или слаботочных сетях. Коробка герметична, обладает степенью защиты IP68 и предназначена длядлительной работы под водой.
Монтаж:
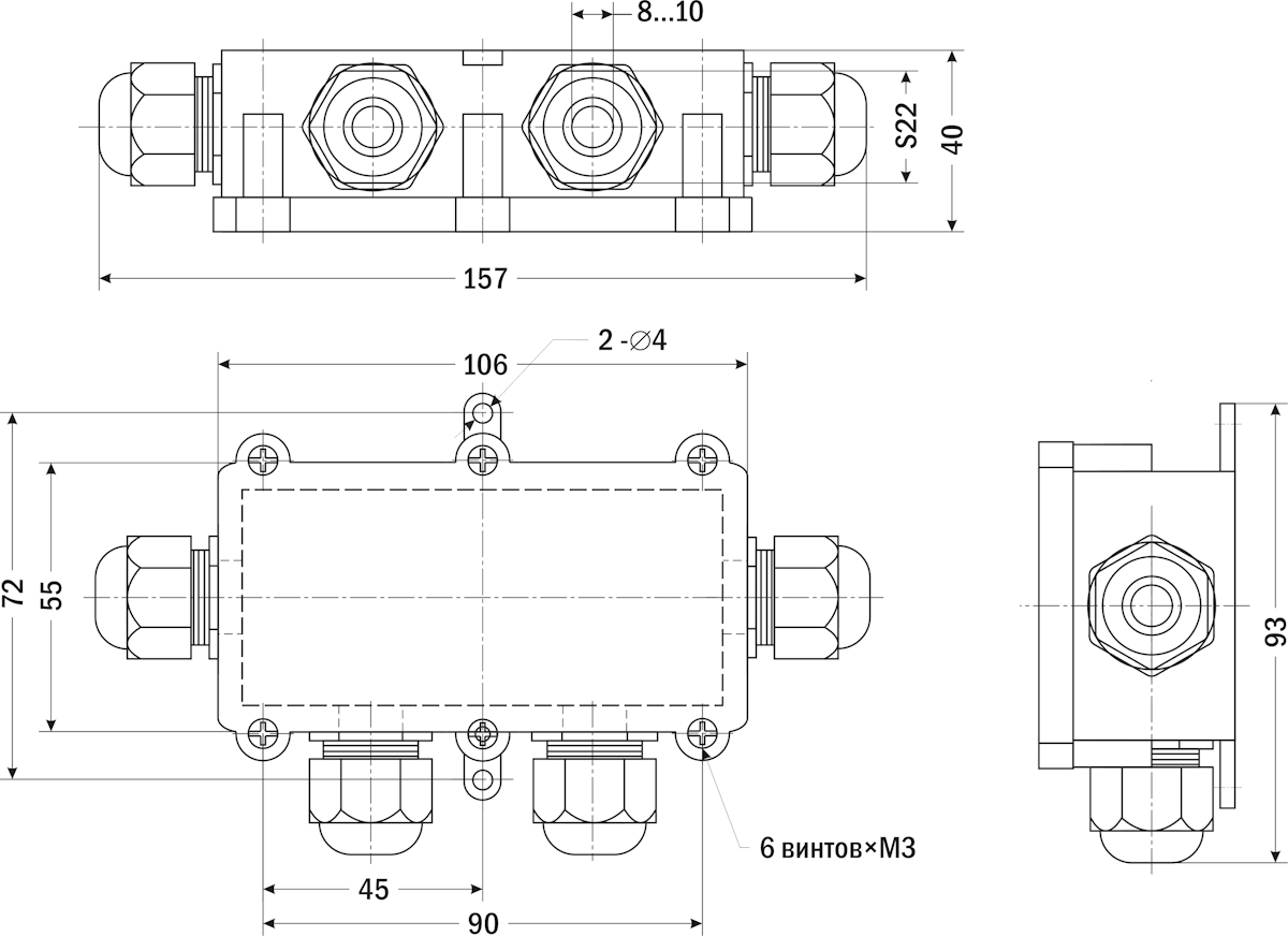
На задней панели коробки расположены 2 отверстия для установки на стену (плоскость). Размеры монтажных отверстий представлены на чертеже.
В комплекте идет уплотнение, которое необходимо вставить в паз на корпусе коробки
В комплекте идет уплотнение, которое необходимо вставить в паз на корпусе коробки

Технические характеристики:
| Параметр | Значение |
| Материал корпуса
| Поликарбонат
|
| Конструкция
| Квадратная с крышкой
|
| Крепление крышки | Винтовое М3 |
| Крепление коробки | Винтовое на поверхность |
| Температура эксплуатации | −40...+105°C |
| Количество входов | 4 |
| Номинальный ток | 24 А |
| Номинальное напряжение
| 450 В
|
| Сечение жил кабеля | 0,5...4 мм² |
| Диаметр кабеля | 8...10 мм |
| Степень пылевлагозащиты | IP68 |
| Глубина погружения | до 10 м |
| Габаритные размеры | 93×157×40 мм |
| Вес | 123 г |
| Габаритные размеры |
![]() |
| Монтажные отверстия
|
![]() |
Версия: 2025-12-08-СДГ

